DF-40A
HEE
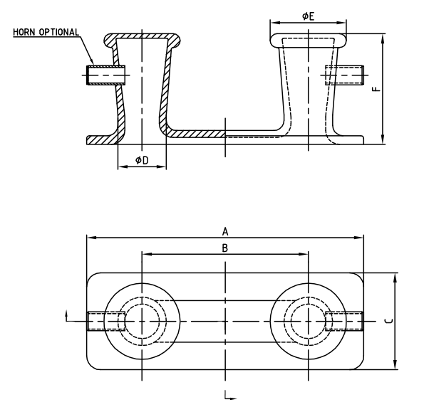
鋳鋼ダブルビット
ムーエルいいえ | A | B | C | odd | uth | F | wt。(lbs) | ホーン |
| DF-2 | 40 ' | 27 ' | 14 ' | 7 ' | 11 ' | 16” | 375 | √ |
| DF-2A | 40 ' | 27 ' | 14 ' | 7 ' | 11 ' | 16” | 385 | X |
| DF-40 | 45 ' | 24 ' | 15 ' | 9 ' | 13 1/2 ' | 18” | 545 | √ |
| DF-40A | 45 ' | 24 ' | 15 ' | 9 ' | 13 1/2 ' | 18” | 560 | X |
鋳鉄製の係留ダブルビット は 、船舶係留システムのバックボーンとして機能し、停泊、ドッキング、およびオフショアオペレーション中に複数の係留ラインを固定するための堅牢なアンカーポイントを提供します。現代の船舶は、より大きな貨物負荷とより強力な環境力を処理するために係留能力を高める必要があるため、これらの二重のビットは柔軟なライン管理機能を備えた例外的な強度を提供します。で構成されており、平行係留ラインに対応するために、高さ42インチの24インチ離れた42インチの直径14インチのデュアルポストを備えています。 ワンピースデザインでを組み合わせて ASTM A27グレードの鋳造鋼 1800 kN(183トン)の安全な作業荷重(SWL) 、これらのビットは、世界中の主要な港で動作するバルクキャリア、コンテナ船、LNGタンカーを含む大きな市販の船用に設計されています。
2つの垂直ポストは、 1インチの厚さのウェビングを備えた 積分ベース補強材を備えて おり、30インチの正方形の取り付けフランジに接続しています。各投稿には、ロープの損傷を防ぐために丸いエッジを備えたテーパートップ(ピーク時の直径6インチ)が含まれていますが、ポストサーフェスは摩擦を減らすためにRA3.2μm仕上げに磨かれています。間隔では、干渉が最小限の2つの90mmロープを同時に処理できます。
複雑な幾何学的複製のためにを使用して製造された 樹脂砂鋳造 ビットは、400 MPaを超える引張強度を持つ一貫した材料特性を実現します。ワンピース鋳造は潜在的な故障ポイントを作成する溶接を排除し、190 BHNへの熱処理は耐摩耗性の最適な硬度を保証します。非破壊検査により、重要な負荷領域に内部欠陥がないことが確認されます。
アセンブリ全体は 、SA 3.0への研磨爆風、150μmの亜鉛に富むエポキシプライマーの適用、80μmの海洋グレードポリウレタンでの仕上げコーティングこのシステムは、ASTM B117ごとに2000時間以上の塩スプレー耐性を提供します。ベースフランジに機械加工された排水チャネルは、ボルトの取り付けの周りに水がプールするのを防ぎます。です。
デュアルポストにより、複数の係留ラインを独立して保護し、調整することができ、正確な張力制御を可能にし、ラインエンタングルメントのリスクを減らします。この構成は、ポートベルシング、オフショアアンカー、緊急事態など、さまざまな係留シナリオを処理するための運用上の柔軟性を提供します。
ワンピースキャストは、 ポストから取り付けフランジまでのこの設計は、溶接された製造されたビットと比較して30%の疲労抵抗を提供し、高サイクルアプリケーションでサービス寿命を延長します。 連続負荷経路を作成し、周期的な負荷で疲労する可能性のある溶接を排除します。
これらのビットは 、コンテナ船、バルクキャリア、石油タンカーを含む50,000〜200,000 DWTの範囲のそれらの負荷容量と寸法は、国際貿易ルートで動作する大型船の係留要件と一致しています。 パナマックスおよびパナマックス船用に最適化されています。
AWS D1.1溶接仕様に従って、容器の主要な構造メンバーへの取り付けフランジは、デッキまたはバルクヘッド構造に溶接された補強板(最低1インチの厚さ)を強化して、荷重を効果的に分配することでサポートする必要があります。 完全浸透溶接 が必要です。
毎月の検査では、腐食、ロープ摩耗パターン、溶接の完全性を確認する必要があります。年次メンテナンスには、互換性のある海洋コーティングと取り付けハードウェアのトルク検証を備えた損傷したエリアのタッチアップ塗装が含まれます。 SWLの125%での負荷テストは、5年ごとに推奨されます。
鋳鋼ダブルビット
ムーエルいいえ | A | B | C | odd | uth | F | wt。(lbs) | ホーン |
| DF-2 | 40 ' | 27 ' | 14 ' | 7 ' | 11 ' | 16” | 375 | √ |
| DF-2A | 40 ' | 27 ' | 14 ' | 7 ' | 11 ' | 16” | 385 | X |
| DF-40 | 45 ' | 24 ' | 15 ' | 9 ' | 13 1/2 ' | 18” | 545 | √ |
| DF-40A | 45 ' | 24 ' | 15 ' | 9 ' | 13 1/2 ' | 18” | 560 | X |
鋳鉄製の係留ダブルビット は 、船舶係留システムのバックボーンとして機能し、停泊、ドッキング、およびオフショアオペレーション中に複数の係留ラインを固定するための堅牢なアンカーポイントを提供します。現代の船舶は、より大きな貨物負荷とより強力な環境力を処理するために係留能力を高める必要があるため、これらの二重のビットは柔軟なライン管理機能を備えた例外的な強度を提供します。で構成されており、平行係留ラインに対応するために、高さ42インチの24インチ離れた42インチの直径14インチのデュアルポストを備えています。 ワンピースデザインでを組み合わせて ASTM A27グレードの鋳造鋼 1800 kN(183トン)の安全な作業荷重(SWL) 、これらのビットは、世界中の主要な港で動作するバルクキャリア、コンテナ船、LNGタンカーを含む大きな市販の船用に設計されています。
2つの垂直ポストは、 1インチの厚さのウェビングを備えた 積分ベース補強材を備えて おり、30インチの正方形の取り付けフランジに接続しています。各投稿には、ロープの損傷を防ぐために丸いエッジを備えたテーパートップ(ピーク時の直径6インチ)が含まれていますが、ポストサーフェスは摩擦を減らすためにRA3.2μm仕上げに磨かれています。間隔では、干渉が最小限の2つの90mmロープを同時に処理できます。
複雑な幾何学的複製のためにを使用して製造された 樹脂砂鋳造 ビットは、400 MPaを超える引張強度を持つ一貫した材料特性を実現します。ワンピース鋳造は潜在的な故障ポイントを作成する溶接を排除し、190 BHNへの熱処理は耐摩耗性の最適な硬度を保証します。非破壊検査により、重要な負荷領域に内部欠陥がないことが確認されます。
アセンブリ全体は 、SA 3.0への研磨爆風、150μmの亜鉛に富むエポキシプライマーの適用、80μmの海洋グレードポリウレタンでの仕上げコーティングこのシステムは、ASTM B117ごとに2000時間以上の塩スプレー耐性を提供します。ベースフランジに機械加工された排水チャネルは、ボルトの取り付けの周りに水がプールするのを防ぎます。です。
デュアルポストにより、複数の係留ラインを独立して保護し、調整することができ、正確な張力制御を可能にし、ラインエンタングルメントのリスクを減らします。この構成は、ポートベルシング、オフショアアンカー、緊急事態など、さまざまな係留シナリオを処理するための運用上の柔軟性を提供します。
ワンピースキャストは、 ポストから取り付けフランジまでのこの設計は、溶接された製造されたビットと比較して30%の疲労抵抗を提供し、高サイクルアプリケーションでサービス寿命を延長します。 連続負荷経路を作成し、周期的な負荷で疲労する可能性のある溶接を排除します。
これらのビットは 、コンテナ船、バルクキャリア、石油タンカーを含む50,000〜200,000 DWTの範囲のそれらの負荷容量と寸法は、国際貿易ルートで動作する大型船の係留要件と一致しています。 パナマックスおよびパナマックス船用に最適化されています。
AWS D1.1溶接仕様に従って、容器の主要な構造メンバーへの取り付けフランジは、デッキまたはバルクヘッド構造に溶接された補強板(最低1インチの厚さ)を強化して、荷重を効果的に分配することでサポートする必要があります。 完全浸透溶接 が必要です。
毎月の検査では、腐食、ロープ摩耗パターン、溶接の完全性を確認する必要があります。年次メンテナンスには、互換性のある海洋コーティングと取り付けハードウェアのトルク検証を備えた損傷したエリアのタッチアップ塗装が含まれます。 SWLの125%での負荷テストは、5年ごとに推奨されます。
DF-274-5 2犬の飼育水密集ハッチ HEE(Changshu Haichuan Engineering&Equipment Co.、Ltd。)が設計したプレミアムマリンデッキフィッティングです。過酷な海洋環境での信頼できる耐水性の重要なニーズに対処するように設計されたこのハッチは、甲板の開口部の保護障壁として機能し、船舶、オフショアプラットフォーム、またはポートインフラストラクチャの内部成分を損傷する可能性のある給水、粉塵の蓄積、腐食を防ぎます。