DF-144-5
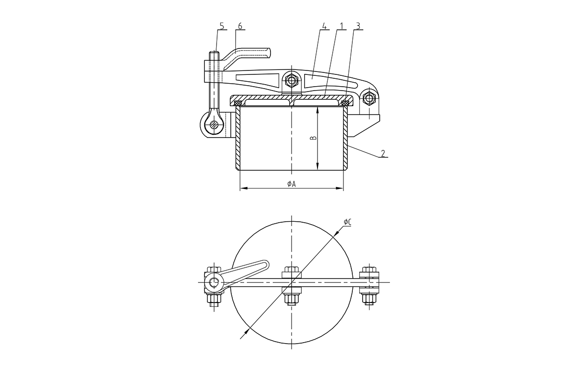
DF-144-5シングルドッグウルラージハッチ
モデル番号 | φa | B | φc | wt。(lbs) |
| DF-144-5 | 8 1/16 ' | 7/8 ' | 9 1/2 ' | 38 |
| いいえ。 | 名前と仕様 | 数量 | 材料 |
| 1 | カバー | 1 | 鋳鋼 |
| 2 | コーミング | 1 | STEEL |
| 3 | ガスケット | 1 | ネオプレン |
| 4 | アーム | 1 | 鋳鋼 |
| 5 | タンブルボルト | 1 | ステンレス |
| 6 | 犬のハンドル | 1 | 鋳鉄 |
漏れ試験:圧力0.04MPa
その他のオプションのエクストラには、溶融亜鉛めっき、ステンレス鋼の構造、カスタマーの高さが含まれます。
汎用ハッチとは異なり、この設計は、さまざまな船舶の貯蔵タンク、貨物貯留、および液体貯水池への制御されたアクセスを優先します。コンパクトなシングルドッグラッチングシステムは、液体封じ込め領域に必要なシールの完全性を維持しながら、迅速でツールのない操作を提供します。海事規制により、正確な貨物測定と安全プロトコルが強調されているため、このUllageハッチはタンカー運用とバルク液体輸送に不可欠な要素になりました。
液体レベルの測定用に最適化されたハッチは、 測定機器と検査機器に十分なアクセスを提供しながら、タンクへの露出を最小限に抑える開口部は、貨物検証手順で使用される標準の尿路テープ、サンプリングデバイス、およびセンサープローブに対応するように設計されています。 コンパクトなフットプリントを備えています。
単一の 人間工学に基づいた犬ラッチ により、片手操作が可能になり、日常の測定チェック中に迅速にアクセスできます。単純化された動作にもかかわらず、ラッチングシステムは、閉じたときに液体密閉シールを維持するための適切な圧縮を作成し、蒸気の脱出と汚染を防ぎます。ハンドルには、ロック/ロック解除されたステータスを示す視覚インジケーターが組み込まれています。
石油製品、化学物質、飲料水を含むさまざまな貨物タイプと互換性のある材料で構成されています。シーリングガスケットは、攻撃的な物質とともに使用すると化学的分解に抵抗するための特殊な化合物で利用できます。すべての濡れた成分は、 非反応性材料を使用して 、貨物の汚染や製品の劣化を防ぎます。
主にで利用されている タンカー船 と 化学キャリアこのUllageハッチは、レベルの測定、サンプリング、および検査のために液体貯蔵タンクへのアクセスを提供します。一般に、商業船とオフショアプラットフォームの燃料貯蔵コンパートメントに設置されています。このデザインは、製品の純度を維持することが不可欠な飲料輸送容器と水タンクにも見られます。海軍船は、安全な封じ込めを維持しながら、燃料と水の埋蔵量を監視するためにこれらのハッチを使用します。
Ullageハッチは、液体貯蔵タンクにアクセスするために特別に設計されており、タンクの上部にある空きスペース( 'ullage ')を測定し、貨物量を決定するために重要です。一般的なアクセスハッチとは異なり、人員アクセスではなく、測定機器用に最適化された小さな開口部を備えています。
はい、適切なガスケット材料と建設オプションで指定されている場合、DF-144 5は危険な材料封じ込めの規制要件を満たしています。一般に海洋船で輸送される可燃性、腐食性、毒性物質を処理するように構成できます。
精密設計犬は、シーリングガスケットの最適なポイントで集中圧力をかけます。マルチ犬の設計よりも少なくなりますが、単一の犬の配置とレバレッジは、非圧縮タンクアプリケーションで液体性能のために十分な圧縮を生み出します。
シールの表面は、シールを損なう可能性のある破片を定期的に検査する必要があります。ガスケットは毎年、または摩耗の兆候が表示されるたびに交換する必要があります。測定の開口部は、正確な測定値を確保し、汚染を防ぐために清潔に保つ必要があります。
はい、ハッチの元の機能を維持しながら、永久センサーの設置に対応するように開口部を適合させることができます。オプションのフィッティングにより、タンクレベルのリモート監視のために、自動化された尿路測定システムとの統合が可能になります。
DF-144-5シングルドッグウルラージハッチ
モデル番号 | φa | B | φc | wt。(lbs) |
| DF-144-5 | 8 1/16 ' | 7/8 ' | 9 1/2 ' | 38 |
| いいえ。 | 名前と仕様 | 数量 | 材料 |
| 1 | カバー | 1 | 鋳鋼 |
| 2 | コーミング | 1 | STEEL |
| 3 | ガスケット | 1 | ネオプレン |
| 4 | アーム | 1 | 鋳鋼 |
| 5 | タンブルボルト | 1 | ステンレス |
| 6 | 犬のハンドル | 1 | 鋳鉄 |
漏れ試験:圧力0.04MPa
その他のオプションのエクストラには、溶融亜鉛めっき、ステンレス鋼の構造、カスタマーの高さが含まれます。
汎用ハッチとは異なり、この設計は、さまざまな船舶の貯蔵タンク、貨物貯留、および液体貯水池への制御されたアクセスを優先します。コンパクトなシングルドッグラッチングシステムは、液体封じ込め領域に必要なシールの完全性を維持しながら、迅速でツールのない操作を提供します。海事規制により、正確な貨物測定と安全プロトコルが強調されているため、このUllageハッチはタンカー運用とバルク液体輸送に不可欠な要素になりました。
液体レベルの測定用に最適化されたハッチは、 測定機器と検査機器に十分なアクセスを提供しながら、タンクへの露出を最小限に抑える開口部は、貨物検証手順で使用される標準の尿路テープ、サンプリングデバイス、およびセンサープローブに対応するように設計されています。 コンパクトなフットプリントを備えています。
単一の 人間工学に基づいた犬ラッチ により、片手操作が可能になり、日常の測定チェック中に迅速にアクセスできます。単純化された動作にもかかわらず、ラッチングシステムは、閉じたときに液体密閉シールを維持するための適切な圧縮を作成し、蒸気の脱出と汚染を防ぎます。ハンドルには、ロック/ロック解除されたステータスを示す視覚インジケーターが組み込まれています。
石油製品、化学物質、飲料水を含むさまざまな貨物タイプと互換性のある材料で構成されています。シーリングガスケットは、攻撃的な物質とともに使用すると化学的分解に抵抗するための特殊な化合物で利用できます。すべての濡れた成分は、 非反応性材料を使用して 、貨物の汚染や製品の劣化を防ぎます。
主にで利用されている タンカー船 と 化学キャリアこのUllageハッチは、レベルの測定、サンプリング、および検査のために液体貯蔵タンクへのアクセスを提供します。一般に、商業船とオフショアプラットフォームの燃料貯蔵コンパートメントに設置されています。このデザインは、製品の純度を維持することが不可欠な飲料輸送容器と水タンクにも見られます。海軍船は、安全な封じ込めを維持しながら、燃料と水の埋蔵量を監視するためにこれらのハッチを使用します。
Ullageハッチは、液体貯蔵タンクにアクセスするために特別に設計されており、タンクの上部にある空きスペース( 'ullage ')を測定し、貨物量を決定するために重要です。一般的なアクセスハッチとは異なり、人員アクセスではなく、測定機器用に最適化された小さな開口部を備えています。
はい、適切なガスケット材料と建設オプションで指定されている場合、DF-144 5は危険な材料封じ込めの規制要件を満たしています。一般に海洋船で輸送される可燃性、腐食性、毒性物質を処理するように構成できます。
精密設計犬は、シーリングガスケットの最適なポイントで集中圧力をかけます。マルチ犬の設計よりも少なくなりますが、単一の犬の配置とレバレッジは、非圧縮タンクアプリケーションで液体性能のために十分な圧縮を生み出します。
シールの表面は、シールを損なう可能性のある破片を定期的に検査する必要があります。ガスケットは毎年、または摩耗の兆候が表示されるたびに交換する必要があります。測定の開口部は、正確な測定値を確保し、汚染を防ぐために清潔に保つ必要があります。
はい、ハッチの元の機能を維持しながら、永久センサーの設置に対応するように開口部を適合させることができます。オプションのフィッティングにより、タンクレベルのリモート監視のために、自動化された尿路測定システムとの統合が可能になります。
DF-274-5 2犬の飼育水密集ハッチ HEE(Changshu Haichuan Engineering&Equipment Co.、Ltd。)が設計したプレミアムマリンデッキフィッティングです。過酷な海洋環境での信頼できる耐水性の重要なニーズに対処するように設計されたこのハッチは、甲板の開口部の保護障壁として機能し、船舶、オフショアプラットフォーム、またはポートインフラストラクチャの内部成分を損傷する可能性のある給水、粉塵の蓄積、腐食を防ぎます。