DF-615-2424
DF-615は、水密の素早い演技ハッチを上げました
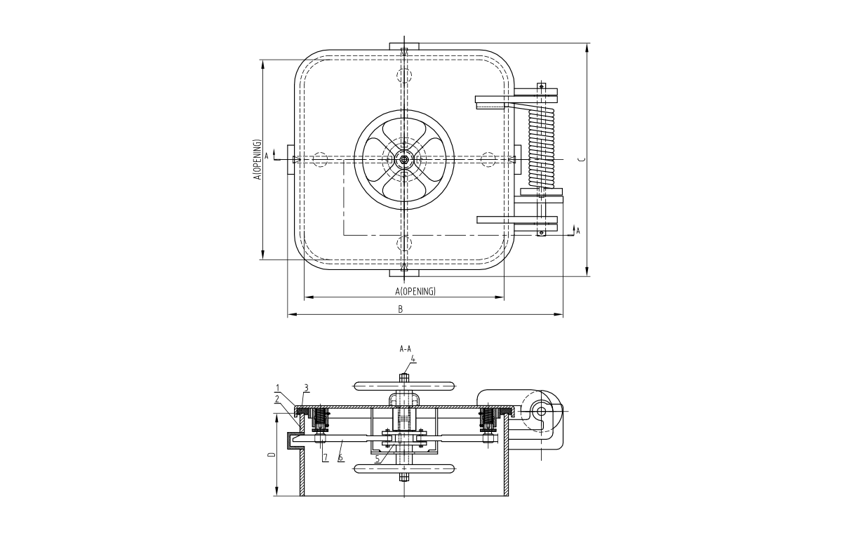
モデル番号 | A | B | C | D | wt。(lbs) |
| DF-615-24×24 | 24 ' | 33 1/16 ' | 28 ' | 24 ' | 500 |
| DF-615-30×30 | 30 ' | 39 1/16 ' | 34 ' | 24 ' | 700 |
| DF-615-36×36 | 36 ' | 45 1/16 ' | 40 ' | 24 ' | 900 |
| いいえ。 | 名前と仕様 | 数量 | 材料 |
| 1 | ハッチカバーアセンブリ | 1 | STEEL |
| 2 | アセンブリのコーミング | 1 | STEEL |
| 3 | ハッチガスケット | 1 | ネオプレン |
| 4 | センターシャフト | 1 | ステンレス |
| 5 | 回転ブロックアセンブリ | 1 | ステンレス |
| 6 | 犬の腕 | 4 | ステンレス |
| 7 | スイベルガイド | 4 | 真鍮 |
漏れ試験:圧力0.04MPa
その他のオプションのエクストラには、溶融亜鉛めっき、ステンレス鋼の構造、カスタマーの高さが含まれます。
船舶のオペレーターは、応答時間を最適化しながら厳しい安全規制を満たすための圧力の増加に直面しているため、このハッチは迅速な展開機能と妥協のない水密性能を組み合わせています。シーリング圧力を高める上昇したプロファイルで設計されたDF-615は、開口部サイズが 24×18インチ で重量が145ポンドで、頻繁な動作を必要とする中程度から大きなアクセスポイントに適しています。その迅速な作用メカニズムは、ストレスの多い緊急事態でも効率的に運用できる機器の業界の必要性に対処します。
DF-615の決定的な機能は、 スプリングアシストされたクイックリリースシステムであり 、3秒未満で完全なオープニングを可能にします。これは、緊急シナリオ中に重要な利点です。テクスチャグリップを備えた人間工学に基づいたハンドルにより、手袋をはめた手で動作が可能になりますが、統合された安全ロックは偶発的な活性化を防ぎます。このメカニズムは、従来のボルト張りのハッチと比較して必要な身体的努力を減らし、繰り返し使用中のオペレーターの疲労を最小限に抑えます。
-40°Cから80°Cの温度範囲にわたってシーリングの完全性を維持する上昇したフレームは、水侵入に対する機械的障壁を作成しますが、精密にマシンされたシーリング表面は、閉じたときに均一な圧縮を保証します。テストにより、ハッチは、 デュアル圧縮 EPDMラバーガスケットを特徴とするハッチは、耐水性の業界基準を超えています。 最大6 psiまでの静水圧下で水密性能を維持し、標準的な海洋要件を上回ります。
海洋グレードのコーティングを備えたで構成された ホットディップ亜鉛めっき炭素鋼 DF-615は、大幅な腐食なしで1,000時間の塩スプレー試験に耐えます。すべての移動するコンポーネントは、厳しい海洋環境に長期にわたって曝露した後でも、ステンレス鋼のピンとブッシングを利用して押収を防ぎます。ヒンジアセンブリは、10,000以上の操作サイクルの後でも、たるみなく完全な開口部をサポートするために強化されています。
DF-615は、回転ハンドルの動きを線形圧縮に変換するスプリングロードCAMシステムを使用し、複数のボルトを個別に締める必要性を排除します。この設計により、緊急アクセスシナリオにとって重要な同等のシーリング圧力を維持しながら、開口時間を数分から秒に短縮します。
DF-615は、IMO解像度A.754(18)の水密閉鎖の要件を満たしており、DNV、ABS、Lloydの登録簿を含む主要な分類協会によって認定されています。その迅速な動作機能は、緊急の出口と機器へのアクセスのためのソラス要件をサポートしています。
移動するコンポーネントは、マリングレードグリースで毎月潤滑する必要があり、ガスケットは四半期ごとに摩耗の兆候を検査しました。クイックリリース関数が3秒の仕様内で動作するように、6か月ごとに完全な運用テストをお勧めします。
はい、DF-615は、 ハッチの両側にハンドルを備えたこの機能は、緊急時に代替アクセスルートを提供することにより、安全性を高めます。 双方向操作を備えており、デッキ側またはコンパートメント側からのアクセスを可能にします。
DF-615は、 救助船, オフショアサプライ船や、 迅速なアクセスがミッションの成功や安全性の結果に影響を与える可能性がある堅牢な構造により、デッキ以下のコンパートメントに頻繁にアクセスする必要がある商業船にも適しています。 海軍工芸に最適です。
DF-615は、水密の素早い演技ハッチを上げました
モデル番号 | A | B | C | D | wt。(lbs) |
| DF-615-24×24 | 24 ' | 33 1/16 ' | 28 ' | 24 ' | 500 |
| DF-615-30×30 | 30 ' | 39 1/16 ' | 34 ' | 24 ' | 700 |
| DF-615-36×36 | 36 ' | 45 1/16 ' | 40 ' | 24 ' | 900 |
| いいえ。 | 名前と仕様 | 数量 | 材料 |
| 1 | ハッチカバーアセンブリ | 1 | STEEL |
| 2 | アセンブリのコーミング | 1 | STEEL |
| 3 | ハッチガスケット | 1 | ネオプレン |
| 4 | センターシャフト | 1 | ステンレス |
| 5 | 回転ブロックアセンブリ | 1 | ステンレス |
| 6 | 犬の腕 | 4 | ステンレス |
| 7 | スイベルガイド | 4 | 真鍮 |
漏れ試験:圧力0.04MPa
その他のオプションのエクストラには、溶融亜鉛めっき、ステンレス鋼の構造、カスタマーの高さが含まれます。
船舶のオペレーターは、応答時間を最適化しながら厳しい安全規制を満たすための圧力の増加に直面しているため、このハッチは迅速な展開機能と妥協のない水密性能を組み合わせています。シーリング圧力を高める上昇したプロファイルで設計されたDF-615は、開口部サイズが 24×18インチ で重量が145ポンドで、頻繁な動作を必要とする中程度から大きなアクセスポイントに適しています。その迅速な作用メカニズムは、ストレスの多い緊急事態でも効率的に運用できる機器の業界の必要性に対処します。
DF-615の決定的な機能は、 スプリングアシストされたクイックリリースシステムであり 、3秒未満で完全なオープニングを可能にします。これは、緊急シナリオ中に重要な利点です。テクスチャグリップを備えた人間工学に基づいたハンドルにより、手袋をはめた手で動作が可能になりますが、統合された安全ロックは偶発的な活性化を防ぎます。このメカニズムは、従来のボルト張りのハッチと比較して必要な身体的努力を減らし、繰り返し使用中のオペレーターの疲労を最小限に抑えます。
-40°Cから80°Cの温度範囲にわたってシーリングの完全性を維持する上昇したフレームは、水侵入に対する機械的障壁を作成しますが、精密にマシンされたシーリング表面は、閉じたときに均一な圧縮を保証します。テストにより、ハッチは、 デュアル圧縮 EPDMラバーガスケットを特徴とするハッチは、耐水性の業界基準を超えています。 最大6 psiまでの静水圧下で水密性能を維持し、標準的な海洋要件を上回ります。
海洋グレードのコーティングを備えたで構成された ホットディップ亜鉛めっき炭素鋼 DF-615は、大幅な腐食なしで1,000時間の塩スプレー試験に耐えます。すべての移動するコンポーネントは、厳しい海洋環境に長期にわたって曝露した後でも、ステンレス鋼のピンとブッシングを利用して押収を防ぎます。ヒンジアセンブリは、10,000以上の操作サイクルの後でも、たるみなく完全な開口部をサポートするために強化されています。
DF-615は、回転ハンドルの動きを線形圧縮に変換するスプリングロードCAMシステムを使用し、複数のボルトを個別に締める必要性を排除します。この設計により、緊急アクセスシナリオにとって重要な同等のシーリング圧力を維持しながら、開口時間を数分から秒に短縮します。
DF-615は、IMO解像度A.754(18)の水密閉鎖の要件を満たしており、DNV、ABS、Lloydの登録簿を含む主要な分類協会によって認定されています。その迅速な動作機能は、緊急の出口と機器へのアクセスのためのソラス要件をサポートしています。
移動するコンポーネントは、マリングレードグリースで毎月潤滑する必要があり、ガスケットは四半期ごとに摩耗の兆候を検査しました。クイックリリース関数が3秒の仕様内で動作するように、6か月ごとに完全な運用テストをお勧めします。
はい、DF-615は、 ハッチの両側にハンドルを備えたこの機能は、緊急時に代替アクセスルートを提供することにより、安全性を高めます。 双方向操作を備えており、デッキ側またはコンパートメント側からのアクセスを可能にします。
DF-615は、 救助船, オフショアサプライ船や、 迅速なアクセスがミッションの成功や安全性の結果に影響を与える可能性がある堅牢な構造により、デッキ以下のコンパートメントに頻繁にアクセスする必要がある商業船にも適しています。 海軍工芸に最適です。
DF-274-5 2犬の飼育水密集ハッチ HEE(Changshu Haichuan Engineering&Equipment Co.、Ltd。)が設計したプレミアムマリンデッキフィッティングです。過酷な海洋環境での信頼できる耐水性の重要なニーズに対処するように設計されたこのハッチは、甲板の開口部の保護障壁として機能し、船舶、オフショアプラットフォーム、またはポートインフラストラクチャの内部成分を損傷する可能性のある給水、粉塵の蓄積、腐食を防ぎます。