DF-473C
HEE
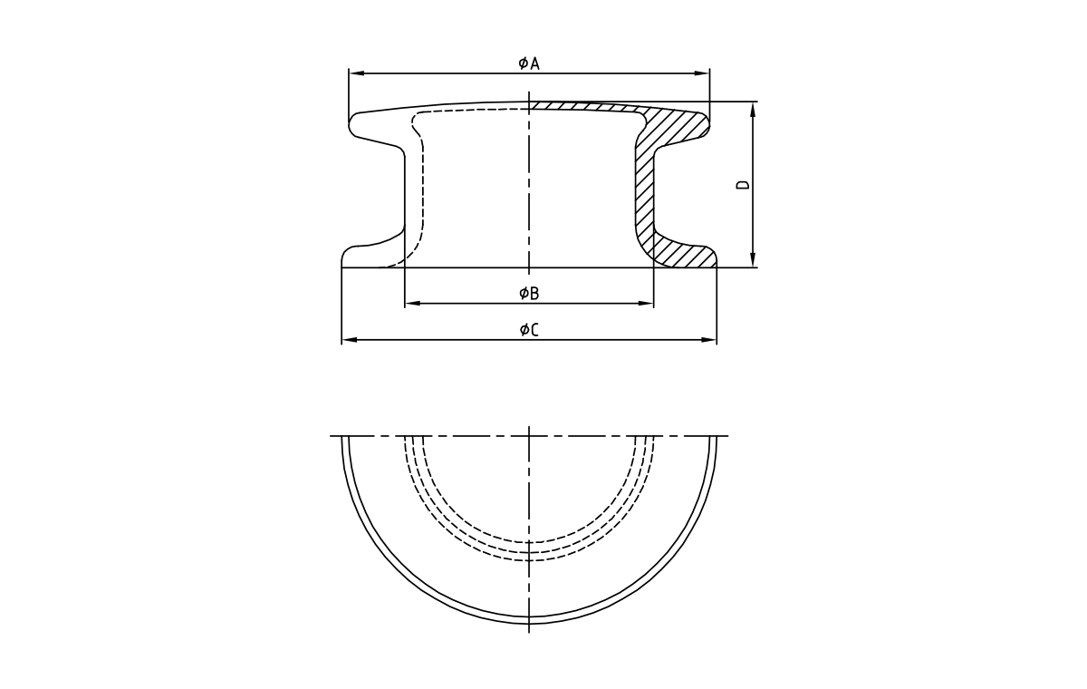
DF-473Cキャストスチール8 'ボタンチョック
| モデル番号 | φa | φb | φc | D | E | F | G | wt。(lbs) |
| DF-473C | 13 ' | 8 5/8 ' | 12 1/2 ' | 5/8 ' | 3 3/4 ' | 5 3/4 ' | 3/4 ' | 75 |
DF -473C鋳鉄製の8ボタンチョックは、 海洋作戦における重要な係留コンポーネントとして立っており、あらゆるサイズの船舶に安全なロープガイダンスと終了を提供します。グローバルな海上貿易が拡大し続けるにつれて、係留機器市場が商業輸送とともに成長すると予測されているため、このチョックは、港湾運用を要求するために並外れた強さと耐久性を提供します。 に従って製造された ISO 13713基準DF-473Cは、摩擦と摩耗を最小限に抑えながらロープの接触を最適化する8ボタン構成を備えています。 により 981 kN(100トン)の安全な作業負荷(SWL)と280 kgの重量 、バルクキャリア、コンテナ船、およびオフショアプラットフォームの大型アプリケーション用に設計されています。
ASTM A27グレードの鋳造鋼 から製造されたチョックは、強度を損なう可能性のある内部欠陥の欠如を確保するために、厳密な非破壊的検定を受けます。ワンピースキャスティングは、潜在的な故障ポイントを作成する溶接を排除しますが、熱処理された表面は耐摩耗性のために180 Bhnの最小硬度を達成します。係留線と接触しているすべての表面は、ロープの摩耗を減らすためにスムーズに仕上げられています。
8ボタンの設計は、ロープの表面全体に荷重を均等に分配する複数の接点ポイントを作成し、局所的な応力を減らし、ロープサービスの寿命を延ばします。湾曲したボタン表面は、合成係留ライン用に最適化された 12:1のベンド比を備えており 、係留操作中のロープ強度の損失を最小限に抑えます。このジオメトリは、最適な接触を維持しながら、60mmから90mmのロープの直径に対応します。
Chockは 、SA 2.5標準、亜鉛リッチプライマー、海洋グレードのポリウレタントップコートへのサンドブラストなど、すべての露出した表面はこのシステムで覆われており、ASTM B117テストごとに1,500時間以上の塩スプレー耐性を提供します。排水穴は、凹んだエリアでの水の蓄積を防ぎ、耐食性をさらに高めます。 マルチステップ保護コーティングシステムを受け取ります。
ISO 13713は、荷物の係留の設計、材料、テスト、パフォーマンスに関する国際基準を確立し、世界の海上事業全体の互換性と安全性を確保しています。認定により、DF-473Cが強度、耐久性、ロープの互換性に関する厳しい要件を満たしていることを確認します。
8ボタンのデザインは、4ボタンモデルよりも多くの接点ポイントを提供し、摩耗を減らしてロープの寿命を延ばすために、ロープ表面全体に荷重をより均等に分配します。この構成は、合成ラインで動作するための十分なロープクリアランスを維持しながら、より大きなシングルボタン設計よりも優れたロープ制御を提供します。
DF-473Cは、直径が 60mmから90mm (2.36〜3.54インチ)の範囲の合成係留ラインに最適化されています。この範囲は、Panamaxコンテナ船、バルクキャリア、および沖合のサポート船で使用される最も一般的なサイズをカバーしています。
チョックには、 連続したフィレット溶接がAWS D1.1規格を満たしている船舶の構造メンバー(隔壁またはデッキ)への係留ウインチとの適切なアライメントは重要であり、ぎっしり中心線はローププル方向の5°以内に並んで、サイドローディングと未熟型の摩耗を防ぎます。 溶接された設置が必要です。
チョックは、ロープ摩耗パターン、腐食、ゆるいファスナーについて毎月検査する必要があります。ロープの接触面を定期的に洗浄して、ロープを摩耗させる可能性のある破片を除去する必要があります。腐食保護を維持するために、損傷した領域にタッチアップペイントを適用する必要があります。重要なアプリケーションでのチョックには、年間負荷テストが推奨されます。
DF-473Cキャストスチール8 'ボタンチョック
| モデル番号 | φa | φb | φc | D | E | F | G | wt。(lbs) |
| DF-473C | 13 ' | 8 5/8 ' | 12 1/2 ' | 5/8 ' | 3 3/4 ' | 5 3/4 ' | 3/4 ' | 75 |
DF -473C鋳鉄製の8ボタンチョックは、 海洋作戦における重要な係留コンポーネントとして立っており、あらゆるサイズの船舶に安全なロープガイダンスと終了を提供します。グローバルな海上貿易が拡大し続けるにつれて、係留機器市場が商業輸送とともに成長すると予測されているため、このチョックは、港湾運用を要求するために並外れた強さと耐久性を提供します。 に従って製造された ISO 13713基準DF-473Cは、摩擦と摩耗を最小限に抑えながらロープの接触を最適化する8ボタン構成を備えています。 により 981 kN(100トン)の安全な作業負荷(SWL)と280 kgの重量 、バルクキャリア、コンテナ船、およびオフショアプラットフォームの大型アプリケーション用に設計されています。
ASTM A27グレードの鋳造鋼 から製造されたチョックは、強度を損なう可能性のある内部欠陥の欠如を確保するために、厳密な非破壊的検定を受けます。ワンピースキャスティングは、潜在的な故障ポイントを作成する溶接を排除しますが、熱処理された表面は耐摩耗性のために180 Bhnの最小硬度を達成します。係留線と接触しているすべての表面は、ロープの摩耗を減らすためにスムーズに仕上げられています。
8ボタンの設計は、ロープの表面全体に荷重を均等に分配する複数の接点ポイントを作成し、局所的な応力を減らし、ロープサービスの寿命を延ばします。湾曲したボタン表面は、合成係留ライン用に最適化された 12:1のベンド比を備えており 、係留操作中のロープ強度の損失を最小限に抑えます。このジオメトリは、最適な接触を維持しながら、60mmから90mmのロープの直径に対応します。
Chockは 、SA 2.5標準、亜鉛リッチプライマー、海洋グレードのポリウレタントップコートへのサンドブラストなど、すべての露出した表面はこのシステムで覆われており、ASTM B117テストごとに1,500時間以上の塩スプレー耐性を提供します。排水穴は、凹んだエリアでの水の蓄積を防ぎ、耐食性をさらに高めます。 マルチステップ保護コーティングシステムを受け取ります。
ISO 13713は、荷物の係留の設計、材料、テスト、パフォーマンスに関する国際基準を確立し、世界の海上事業全体の互換性と安全性を確保しています。認定により、DF-473Cが強度、耐久性、ロープの互換性に関する厳しい要件を満たしていることを確認します。
8ボタンのデザインは、4ボタンモデルよりも多くの接点ポイントを提供し、摩耗を減らしてロープの寿命を延ばすために、ロープ表面全体に荷重をより均等に分配します。この構成は、合成ラインで動作するための十分なロープクリアランスを維持しながら、より大きなシングルボタン設計よりも優れたロープ制御を提供します。
DF-473Cは、直径が 60mmから90mm (2.36〜3.54インチ)の範囲の合成係留ラインに最適化されています。この範囲は、Panamaxコンテナ船、バルクキャリア、および沖合のサポート船で使用される最も一般的なサイズをカバーしています。
チョックには、 連続したフィレット溶接がAWS D1.1規格を満たしている船舶の構造メンバー(隔壁またはデッキ)への係留ウインチとの適切なアライメントは重要であり、ぎっしり中心線はローププル方向の5°以内に並んで、サイドローディングと未熟型の摩耗を防ぎます。 溶接された設置が必要です。
チョックは、ロープ摩耗パターン、腐食、ゆるいファスナーについて毎月検査する必要があります。ロープの接触面を定期的に洗浄して、ロープを摩耗させる可能性のある破片を除去する必要があります。腐食保護を維持するために、損傷した領域にタッチアップペイントを適用する必要があります。重要なアプリケーションでのチョックには、年間負荷テストが推奨されます。
DF-274-5 2犬の飼育水密集ハッチ HEE(Changshu Haichuan Engineering&Equipment Co.、Ltd。)が設計したプレミアムマリンデッキフィッティングです。過酷な海洋環境での信頼できる耐水性の重要なニーズに対処するように設計されたこのハッチは、甲板の開口部の保護障壁として機能し、船舶、オフショアプラットフォーム、またはポートインフラストラクチャの内部成分を損傷する可能性のある給水、粉塵の蓄積、腐食を防ぎます。